場效應管的主要作用是放大、恒流、阻抗變換、可變電阻和電子開關。
1.場效應管具有放大作用,輸入信號Ui經C1耦合至場效應管VT的柵極,與原來的柵極負偏壓相疊加,使其漏電流Id相應變化,并在負載電阻Rd上產生壓降,經C2隔直流后輸出,在輸出端即取得放大了的信號電壓Uo。Id與Ui同相,Uo與Ui反相。由于場效應管放大器的輸入阻抗很高,因此耦合電容可以容量較小,不必使用電解電容器。
2.場效應管可以方便地用作恒流源。恒流源的原理是:如果通過場效應管的漏極電流Id因故增大,源極電阻Rs上形成的負柵壓也隨之增大,迫使Id回落,反之亦然,使Id保持恒定。恒定電流Id=|Up|/Rs,式中,Up為場效應管夾斷電壓。
3.場效應管很高的輸入阻抗非常適合作阻抗變換。圖2-78所示為場效應管源極輸出器,電路結構與晶體三極管射極跟隨器類似,但由于場效應管是電壓控制型器件,輸入阻抗極很高,因此場效應管源極輸出器具有更高的輸入阻抗Zi和較低的輸出阻抗Zo,常用于多級放大器的高阻抗輸入級作阻抗變換。

4.場效應管可以用作可變電阻。圖2-79所示為自動電平控制器電路,當輸入信號Ui增大導致Uo增大時,由Uo經二極管VD負向整流后形成的柵極偏壓-Ug的絕對值也增大,使場效應管VT的等效電阻增大,R1與其的分壓比減小,使進入放大器的信號電壓減小,最終使Uo保持基本不變。

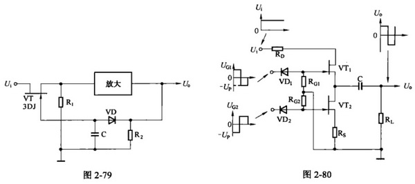
5.場效應管可以用作電子開關。圖2-80所示為直流信號調制電路,場效應管VT1、VT2工作于開關狀態,其柵極分別接入頻率相同、相位相反的方波電壓。當VT1導通、VT2截止時,Ui向C充電;當VT1截止、VT2導通時,C放電,其輸出Uo便于輸入直流電壓Ui相關的交變電壓。
信息來自:
二三極管 鉭電容